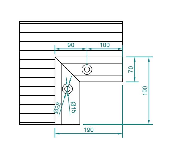
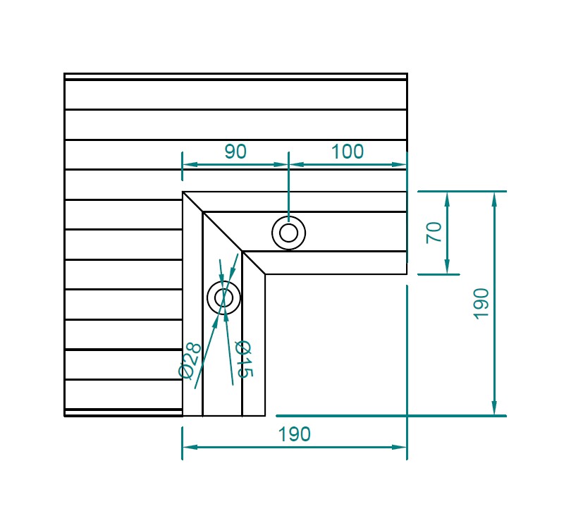
GPR3 base fixed inner corner module, anodized SS-effect
In stock
We always support partners with our experience
- We perform strength calculations when necessary
- We design and produce project-based fixing accessories
- We develop load-bearing glass structures
If you are looking for the best possible solution, be sure to contact us!


















